Самарский охотник


Вернуться   Форум «Самарского Охотника» > Прочее > На привале

Ответ
 
Опции темы
Старый 12.01.2015, 20:44   #3351
Охотник
 
Аватар для Александр 545
 
Регистрация: 24.01.2014
Адрес: Самара
Сообщений: 337
По умолчанию

Во как развлекаются.
Александр 545 вне форума   Ответить с цитированием
Старый 12.01.2015, 21:09   #3352
Охотник
 
Аватар для S163Rus
 
Регистрация: 26.01.2014
Адрес: Самара
Сообщений: 67
По умолчанию

Вопрос, кто бы сколько дал за редукторную булку (0.177/0.22) полуавто с электроударником, длина 550мм? Из расчета железо, плата и начинка, аккум, 1 дюралевый магазин марадер. Не знаю только что с ложем делать.
__________________
Медленно точим стрелялку на воздухе с барабанчиком)
S163Rus вне форума   Ответить с цитированием
Старый 12.01.2015, 21:37   #3353
Охотник
 
Аватар для Александр 545
 
Регистрация: 24.01.2014
Адрес: Самара
Сообщений: 337
По умолчанию

Цитата:
Сообщение от S163Rus Посмотреть сообщение
Вопрос, кто бы сколько дал за редукторную булку (0.177/0.22) полуавто с электроударником, длина 550мм? Из расчета железо, плата и начинка, аккум, 1 дюралевый магазин марадер. Не знаю только что с ложем делать.
А как всё это выглядит и работает и на что можно расчитывать по скоростям
Александр 545 вне форума   Ответить с цитированием
Старый 12.01.2015, 21:51   #3354
Охотник
 
Аватар для CAMAPA
 
Регистрация: 24.01.2014
Адрес: Самара
Сообщений: 71
По умолчанию

Цитата:
Сообщение от Forting Посмотреть сообщение
В воскресенье ни разу не был, в субботу точно работает. Столы... ну как тебе сказать, очень условные там столы Если расчитываешь на нормальный, крепкий и устойчивый стрелковый стол, то там не такие. В последний раз когда был, попал на верхнюю галерею, там коврики, ящички и мешки. В принципе хватило этого)
В субботу я, к сожалению, работаю до 12:00 Попробую завтра позвонить узнать про воскресенье, а то Варя уже в шкафу застоялась. А стол мне любой сгодится, не привык лежа с упора...хотя...даже не стрелял так никогда
CAMAPA вне форума   Ответить с цитированием
Старый 12.01.2015, 22:22   #3355
Охотник
 
Аватар для S163Rus
 
Регистрация: 26.01.2014
Адрес: Самара
Сообщений: 67
По умолчанию

Цитата:
Сообщение от Александр 545 Посмотреть сообщение
А как всё это выглядит и работает и на что можно расчитывать по скоростям
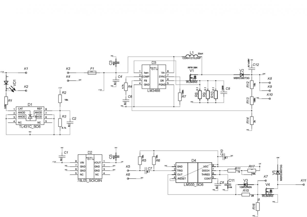
Пока только на бумаге, работающим примером с платой будет моя текущая винтовка. Редуктор стороннего производителя, дудка чизы 16мм (бланк 580 на пополам). Скоростя как с обычной пружинкой, возможность настройки простым алгоритмом изменения запаса энергии в конденсаторе. Плата типа этой. Газовый двигатель в модераторе, который только перемещает досылатель + датчик положения поршня. Идея есть и плита 22х миллиметровая из д16т есть 200х1800мм(трубу/пруток в расчет не берем), материал жалко впустую переводить и хотелось бы раскроить её в один заход на абразивной резке. Главный вопрос - будет ли спрос и будет ли смысл.
Миниатюры
Нажмите на изображение для увеличения
Название: Плата соленоида.jpg
Просмотров: 527
Размер:	67.1 Кб
ID:	16060  
__________________
Медленно точим стрелялку на воздухе с барабанчиком)
S163Rus вне форума   Ответить с цитированием
Старый 12.01.2015, 22:48   #3356
Охотник
 
Аватар для Alexus-Samara
 
Регистрация: 10.02.2014
Адрес: Самара
Сообщений: 330
По умолчанию

А я вот какого зверя сегодня добыл!
Осталось жену заставить приготовить.
Миниатюры
Нажмите на изображение для увеличения
Название: 14210884037051914821649.jpg
Просмотров: 521
Размер:	88.4 Кб
ID:	16061  
Alexus-Samara вне форума   Ответить с цитированием
Старый 12.01.2015, 23:03   #3357
Охотник
 
Аватар для Виталий 999
 
Регистрация: 24.01.2014
Адрес: Самара
Охотобщество: регуляция численносити ворон
Сообщений: 561
По умолчанию

S163Rus
Хотя бы пробничек, этж кот в мешке, нужны знания электроника + пневматика. Если ценник будет гуманный на опытный оброзец то мож и возьмут. Без вложений и затрат не зделать хорошую пулялку. Да и нужна хорошая повторимость результатов образцов. Как то так. Твоя цена?
Виталий 999 вне форума   Ответить с цитированием
Старый 12.01.2015, 23:06   #3358
Охотник
 
Аватар для Виталий 999
 
Регистрация: 24.01.2014
Адрес: Самара
Охотобщество: регуляция численносити ворон
Сообщений: 561
По умолчанию

Цитата:
Сообщение от Alexus-Samara Посмотреть сообщение
А я вот какого зверя сегодня добыл!
Осталось жену заставить приготовить.
А что он с лицом?! иль у мну глюк
Виталий 999 вне форума   Ответить с цитированием
Старый 12.01.2015, 23:44   #3359
Охотник
 
Аватар для S163Rus
 
Регистрация: 26.01.2014
Адрес: Самара
Сообщений: 67
По умолчанию

Цитата:
Сообщение от Виталий 999 Посмотреть сообщение
S163Rus
Хотя бы пробничек, этж кот в мешке, нужны знания электроника + пневматика. Если ценник будет гуманный на опытный оброзец то мож и возьмут. Без вложений и затрат не зделать хорошую пулялку. Да и нужна хорошая повторимость результатов образцов. Как то так. Твоя цена?
Пробник будет, электрику и механику оцените через месяц где-то. Себестоимость в районе 20т без дерева при изготовлении 10 шт.
__________________
Медленно точим стрелялку на воздухе с барабанчиком)
S163Rus вне форума   Ответить с цитированием
Старый 13.01.2015, 16:26   #3360
Охотник
 
Аватар для Александр 545
 
Регистрация: 24.01.2014
Адрес: Самара
Сообщений: 337
По умолчанию

Голосовалка ,мотьки отстают, непорядокhttp://airgun.org.ru/forum/viewtopic...2292&start=450
Александр 545 вне форума   Ответить с цитированием
Ответ


Здесь присутствуют: 96 (пользователей: 0 , гостей: 96)
 

Ваши права в разделе
Вы не можете создавать новые темы
Вы не можете отвечать в темах
Вы не можете прикреплять вложения
Вы не можете редактировать свои сообщения

BB коды Вкл.
Смайлы Вкл.
[IMG] код Вкл.
HTML код Выкл.

Быстрый переход


Текущее время: 19:49. Часовой пояс GMT +4.


Powеrеd by vВullеtin® Version 3.8.4
Copyright ©2000 - 2026, Jеlsоft Entеrprises Ltd. Перевод zCarot